Accedi a GTL online oppure registrati

Inserisci username
Inserisci password
<

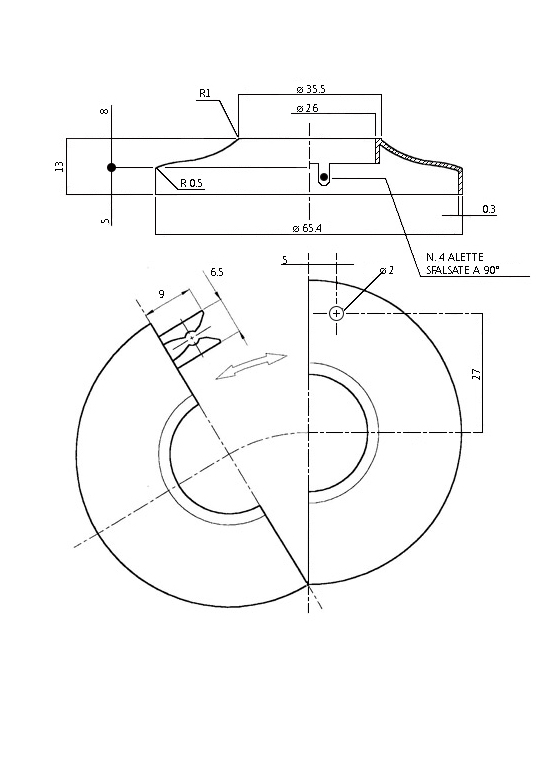
ROSONI APRIBILI CR. 3/4" cod. 434100OC3/4


  • Unità di misura: PZ
  • Pezzi per confezione: 50
  • Bar code: 8016326011158
  • ( EAN 13 )

Disegno Tecnico

ROSONI APRIBILI CR. 3/4"
  • € 6,21
  • (iva esclusa)
Vedi simili

Scheda Tecnica

  • MATERIALI E FINITURA:
    Ottone cromato
    Lastra ottone OT63
    Per tubi in ferro
  • MISURE:
    Per tubi 3/4"
  • PESO:
    gr 11,4/pz (netto)
  • ALTERNATIVE:
    434100OC1
    434100OC1/2
    434100OC10
    434100OC11/4
    434100OC12
    434100OC14
    434100OC16
    434100OC2
    434100OC3/4
    434100OC3/8